電動高平台球閥矽溶膠工藝 - 浙江蘇正自控閥門有🔞限公司

        産品描述

        産品描述

          Q941型電動球閥适用于調節的場合。閥與執行機構的連接采用直🧎🏻‍♀️‍➡️連方式,電動執行機構内置伺服系統,無須另配伺服放大器,輸入4-20mA信号及220VAC電源即可控制運轉。具有連🛌🏻線簡單,結構緊湊、尺寸小、重量輕、阻力小、動作穩定可靠等優⛹🏻‍♂️點。
        執行标準
        1、設計與制造:GB12237-89、API608、API 6D、JPI 7S-48、BS5351、DIN3357。
        2、法蘭尺寸:JB/T74~90(JB74~90)、GB9112~9131、HGJ44~76、SH3406、ANSI B16.5、JIS B2212~2214、NF E29-211

        3、結構長度:GB12221-89、ANSI B16.10、JIS B2002、NF E29-305、DIN3202。
        4、檢驗主試驗:JB/T 9092、API 598。

        執行器技術參數和性能 

        SZ執行機構技術參數

        閥體參數

        電源

        AC110/220V,50/60Hz

        公稱通徑

        DN10~300mm

        輸出力矩

        50N·M~2000N·M

        公稱壓力

        PN1.6 2.5 4.0 6.4 31.5MPa(定制)

        動作範圍

        0~90°

        洩漏量

        軟密封:零洩漏

        硬密封:≤額定流量的10-5

        動作時間

        15秒/30秒/60秒

        執行機構

        可另配SZ、HQ、UNIC、361RS
        等電子式電動執行機構

        保護裝置

        過熱保護

        流量特性

        快開特性

        環境溫度

        -30°~60°

        可調範圍

        DN10-80

        DN100-300

        250:1

        350:1

        手動操作

        同附帶手柄操作

        基本誤差

        ±1%

        限位

        電氣、機械二重限位

        死區

        ≤1%

        防護等級

        相當于IP-65

        回差

        ≤1%

        位置測量

        可選裝開關或電位計

        适用溫度

        密封面

        驅動電機

        8W/E

        PTFE≤150℃ RTFE≤180℃ PPL≤300℃ 硬密封≤450℃

        進線接口

        PE1/2〞進線線鎖

        閥體性能參數

        試驗壓力
        (Mpa)

        公稱壓力(Mpa)

        壓力級(class)

        JIS(Mpa)

        1.6

        2.5

        4.0

        6.4

        10.0

        150

        300

        600

        10K

        20K

        強度試驗

        2.4

        3.8

        6.0

        9.6

        15.0

        3.1

        7.8

        15.3

        2.4

        3.8

        密封試驗

        1.8

        2.8

        4.4

        7.0

        11.0

        2.2

        5.6

        11.2

        1.5

        2.8

        氣密試驗

        0.5~0.7

        主要零件材質

        零件名稱

        材 料

        閥體

        WCB

        ZG1Cr18Ni9Ti

        CF8
        (304)

        CF3
        (304L)

        ZG1Cr18Ni12Mo2Ti

        CF8M(316)

        CF3M
        (316L)

        球體、閥杆

        2Cr13

        1Cr18Ni9Ti

        0Cr19Ni9
        (304)

        00Cr19Ni11
        (304L)

        1Cr18Ni12Mo2Ti

        0Cr17Ni12Mo2
        (316)

        00Cr17Ni12Mo2
        (316L)

        密封圈

        聚四氟乙烯(PTFE)、增強聚四氟乙烯(PPL)、對位聚苯 柔性石墨

        适用介質

        水、氣體、蒸汽、油品等

        硝酸等腐蝕性介質

        強氧化性介質

        醋酸等腐蝕介質

        尿素等腐蝕性介質


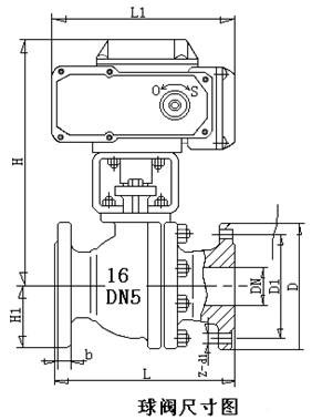
        外形尺寸

        公稱壓力DN

        L

        D

        H

        L1

        D1

        b

        Z-d1

        H1

        壓力

        1.6/2.5/4.0

        1.6/2.5/4.0

         

         

        1.6/2.5/4.0

        1.6/2.5/4.0

        1.6/2.5/4.0

         

        15

        130/130/140

        95

        275

        157

        65

        14/16/16

        4-14

        48

        20

        140/140/150

        105

        280

        157

        75

        14/16/16

        4-14

        53

        25

        150/150/165

        115

        287

        157

        85

        14/16/16

        4-14

        58

        32

        165/165/180

        135

        354

        208

        100

        16/16/18

        4-18

        68

        40

        180/180/200

        145

        312

        208

        110

        16/16/18

        4-18

        73

        50

        200/200/220

        160

        325

        208

        125

        16/20/20

        4-18

        80

        65

        220/220/250

        180

        335

        256

        145

        18/22/22

        4-18/8-18/8-18

        90

        80

        250/250/280

        195

        365

        256

        160

        20/22/22

        8-18

        98

        100

        280/280/320

        215/230/230

        400

        256

        180/190/190

        20/24/24

        8-18/8-23/8-23

        120

        125

        320/320/360

        245/270/270

        420

        256

        210/220/220

        24/28/30

        8-23/8-25/8-25

        140

        150

        360/360/400

        280/300/300

        440

        256

        240/250/250

        24/28/30

        8-23/8-25/8-25

        167

        200

        400/400/550

        335/360/375

        470

        256

        295/310/320

        26/34/38

        12-23/12-25/12-30

        210

        250

        630 750

        405 470

        545

        380

         

         

         

         

        300

        750 870

        460 530

        580

        380

         

         

         

         
        相關産品
        新聞中心
        Sitemap