
一、氣動襯氟三通球閥概述
氣動三通襯氟球閥采用了氟塑料作為球閥的内襯,并配之以新型的帶杆球體結構,再加上其獨特的彈性唇式密封座結構,使其具有普通球閥的各項優點,能在大壓差和較大的溫差變化範圍内具有高密😗封性能和低操作扭矩。可作開關☠️或調節之😍用,氣動三通襯氟球閥适用于各種工業管道✍🏻中液體和氣體的輸送(包括蒸氣),在各種🥑️酸、堿、鹽類等強腐蝕性介質中均能很好地工🛀🏼作。全通徑閥門提供晨大的流量,并可用于♌️掃線清洗或隔離輸送的管道。
二、氣動襯氟三通球閥主要技術參數及性能
公稱通徑 DN(mm) | 15 | 20 | 25 | 32 | 40 | 50 | 65 | 80 | 100 | 125 | 150 | 200 |
動作範圍 | 0~90° | |||||||||||
閥體形式 | 二段分體式鑄造閥體 | |||||||||||
密封填料 | V型聚四氟乙烯填料、含浸聚四氟乙烯石棉填料、石棉紡💯織填料🔞、石墨填料 | |||||||||||
連接方式 | 法蘭式、螺紋式(适用于1/2"~2") | |||||||||||
閥芯形式 | 三通球型閥芯 | |||||||||||
流量特性 | 近似快開特性 | |||||||||||
洩露量Q | 軟密封:零洩露;金屬密封:按GB/T4213-92,小于額定KV0.01% | |||||||||||
基本誤差 | ±1% | |||||||||||
回差 | ±1% | |||||||||||
死區 | ≤1% | |||||||||||
配置執行器型号 | GT、SR、ST、AT、AW系列單雙作用氣動執行器 | |||||||||||
控制方式 | 開關兩位控制、4-20mA模拟量控制 | |||||||||||
三、氣動襯氟三通球閥執行器技術參數
執行器型号 | GT、SR、ST、AT、AW系列單雙作用氣動執行器 |
供氣壓力 | 0.4~0.7MPa |
氣源接口 | G1/4"、G1/8"、G3/8"、G1/2" |
環境溫度 | -30~+70℃ |
作用形式 | 單作用執行機構:氣關式(B)--失氣時閥位開(FO);氣開式(K)--失氣時閥位關(FC) |
可配附件 | 定位器、電磁閥、空氣過濾減壓器、保位閥、行程開關👧🏾、閥💕位🎅🏿傳送器👩🏼❤️👨🏾、手輪機構等 |
四、氣動襯氟三通球閥主要設計标準
設計與制造 | GB12237-89、API608、API 6D、JPI 7S-48、BS5351、DIN3357 |
法蘭尺寸 | JB/T74~90、GB9112~9131、HGJ44~76、SH3406、ANSI B16.5、JIS B2212~2214、DIN2543 |
結構長度 | GB12221-89、ANSI B16.10、JIS B2002、NF E29-305、DIN3202 |
檢驗與試驗 | JB/T 9092、API 598、GB/T13927 |
五、氣動襯氟三通球閥主要零件材料
零件名稱 | 材料 | |||
閥體、閥蓋 | WCB+F46 | 304(CF8)+F46 | 316(CF8M)+F46 | 316L(CF3M)+F46 |
球體 | 2Cr13+氮化處理+F46 | 304+F46 | 316+F46 | 316L+F46 |
閥杆 | 2Cr13+F46 | 304+F46 | 316+F46 | 316L+F46 |
閥座密封圈 | PTFE、碳素纖維+PTFE | |||
密封填料 | V型聚四氟乙烯填料 | |||
六、氣動襯氟三通球閥控制方式
氣動三通球閥分L型和T型,介質流通方向見下圖。氣動三通L型球閥适用于介質流向的切換,能使相互垂直的兩🏊🏿♀️個🏊🏿♀️通道連通:氣動三通T型球閥适用于介質的分流、合流或流向切換,T型孔道可以使三個通道互相連通或使其中兩個🧎🏻♀️➡️通道連通,氣動三通球閥一般采用三個閥座結構,亦可根據用戶要求🏊🏿♀️采用四閥座結構。

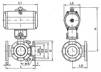
七、氣動襯氟三通球閥外形圖

八、氣動襯氟三通球閥安裝連接尺寸
公稱通徑 DN(mm) | 15 | 20 | 25 | 32 | 40 | 50 | 65 | 80 | 100 | 125 | 150 | 200 |
L | 150 | 150 | 180 | 200 | 220 | 240 | 260 | 280 | 320 | 380 | 440 | 550 |
L1 | 75 | 75 | 90 | 100 | 110 | 120 | 130 | 140 | 160 | 190 | 220 | 275 |
H | 185 | 191 | 193 | 212 | 217 | 260 | 293 | 323 | 382 | 468 | 510 | 655 |
W | 140 | 140 | 140 | 164 | 164 | 190 | 210 | 247 | 276 | 348 | 378 | 524 |
PN1.6MPa法蘭連接尺寸 | ||||||||||||
D | 95 | 105 | 115 | 140 | 150 | 165 | 185 | 200 | 220 | 250 | 285 | 340 |
D1 | 65 | 75 | 85 | 100 | 110 | 125 | 145 | 160 | 180 | 210 | 240 | 295 |
D2 | 46 | 56 | 65 | 76 | 84 | 99 | 118 | 132 | 156 | 184 | 211 | 266 |
n-φd | 4-14 | 4-14 | 4-14 | 4-18 | 4-18 | 4-18 | 4-18 | 8-18 | 8-18 | 8-18 | 8-22 | 12-22 |


打印當前頁
查看及下載技術文檔
發郵件給我們:


