一、氣動硬密封蝶閥産品概述
D673H系列氣動硬密封蝶閥被廣泛用于石油、化工、氣力、冶金、食品、醫🧛🏾♀️藥、輕紡、造紙等行業,可安裝在溫度≤425℃,介👩🏿❤️💋👨🏽質可為煤氣、空氣、蒸汽、水、海水、油品等工業管網上作調節流量和切斷介質用。氣動硬密封蝶閥配以氣動執行氣,可實現🙆🏿遠距離控制和自動化操作。氣動多層次金屬密封蝶閥系列産品,系長壽命、節能🙉型蝶閥。其結💁🏼♀️構采用三維編心原理設計,閥座👩🍼采用硬軟密封兼容的多層次結構,加工精湛,工藝先進。本産品由閥體、蝶闆😍、多層次閥座、閥杆、傳動機構等主要部件組成。
二、氣動硬密封蝶閥産品特點
由于氣動硬密封蝶閥采用的是三維偏心原理設計,使密封面的空間運動軌迹達到理想化,密封面相互之間無磨👽擦、無👋幹涉✋、加之密封材料選擇得當,從而使蝶閥的密封性🛀🏼、耐腐蝕💕性、耐高溫性和耐磨性等得到了可靠的保證。其主要特點如下:
(1)開啟力矩小,靈活方便,省力節能。
(2)三維編心結構,使蝶闆越關越緊,其密封性能可靠,達💁🏼♀️到無洩漏。
(3)耐高壓、耐腐蝕、耐磨損、使用壽命長等。
三、氣動硬密封蝶閥主要設計标準
設計标準 | GB/T2238-1989 |
法蘭連接尺寸 | GB/T9113.1-2000;GB/T9115.1-2000;JB78 |
結構長度 | GB/T12221-1989 |
壓力試驗 | GB/T13927-2000;JB/T9092-1999 |
四、氣動硬密封蝶閥執行器參數及特點
采用新型氣動執行器,有雙作用式和單作用式(彈簧複位),齒輪齒條傳動,安全可靠;大口徑閥門采用系列👹AW型氣動執行器拔叉式傳動,結構合理,輸出力大,有雙👩🏿❤️💋👨🏽作用式和單作♌️用式。
1、齒輪式雙活塞,輸出力矩大,體積小。
2、氣缸選用鋁金材料,重量輕、外形美觀。
3、可在頂部、底部安裝手動操作機構。
4、齒條式連接可調節開啟角度、額定流量。
5、執行器可選帶電訊号反饋指示及附件以實現自動化操作。
6、IS05211标準連接為産品的安裝更換提供了方便。
7、兩端調的節螺釘可使标準産品在0°和90°有±4°的可調範圍👩🏽🐰👩🏿。确💕保與閥門的同步精度。
五、氣動硬密封蝶閥主要零件材料
零件名稱 | 材料 |
閥體 | 鑄鐵、不鏽鋼、鉻钼鋼、合金鋼 |
蝶闆 | 鑄鋼、合金鋼、不鏽鋼、鉻钼鋼 |
密封圈 | 不鏽鋼與耐高溫石棉闆組合成多層次 |
閥杆 | 2Cr13、1Cr13不鏽鋼、鉻钼鋼 |
填料 | O型圈、柔性石墨 |
六、氣動硬密封蝶閥主要性能規範
公稱通徑DN(mm) | DN50~1200 | ||||
公稱壓力 | PN(MPa) | 0.6 | 1.0 | 1.6 | 2.5 |
試驗壓力 | 強度試驗 | 0.9 | 1.5 | 2.4 | 3.75 |
密封試驗 | 0.66 | 1.1 | 1.76 | 2.75 | |
低壓氣密試驗 | 0.5~0.7 | ||||
适用介質 | 空氣、水、污水、蒸氣、煤氣、油品等 | ||||
适用溫度 | 碳鋼:-29℃~600℃不鏽鋼:-40℃~600℃ | ||||
七、氣動硬密封蝶閥三偏心密封結構原理
(1)偏離管道中心
(2)偏離密封面中心
(3)傾斜的錐形
當閥門開啟時,蝶闆與閥座在關閉時瞬間接觸,利用蝶闆偏心1、偏心2迅速脫離閥座,降低了密封副的😌磨損,磨擦力矩小,開啟靈活。偏心錐面3,使閥門在開😈啟或關閉時蝶闆能通過閥座内孔,實現接觸密封。另外,錐形蝶闆的旋🤶🏾轉半徑大于密封副接觸位置的旋轉半徑,故蝶闆在閥門關閉時将出現越關越緊,能夠實現👀自鎖,防止蝶闆過位。
八、産品結構圖

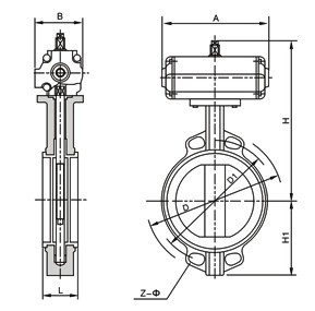
九、氣動蝶閥外形尺寸 單位:mm
公稱通徑(DN) | L | D1 | D | z-φd | H | H0 | A | B |
50 | 43 | 125 | 165 | 4-18 | 63 | 315 | 180 | 65 |
65 | 46 | 145 | 185 | 4-18 | 70 | 330 | 180 | 65 |
80 | 46 | 160 | 200 | 8-18 | 83 | 390 | 245 | 72 |
100 | 52 | 180 | 220 | 8-18 | 105 | 431 | 245 | 72 |
125 | 56 | 210 | 250 | 8-18 | 115 | 455 | 245 | 72 |
150 | 56 | 240 | 285 | 8-22 | 137 | 626 | 355 | 93 |
200 | 60 | 295 | 340 | 8-22 | 164 | 720 | 350 | 93 |
250 | 68 | 350 | 395 | 12-22 | 206 | 800 | 550 | 350 |
300 | 78 | 400 | 445 | 12-22 | 230 | 860 | 600 | 350 |
350 | 78 | 460 | 505 | 16-22 | 248 | 883 | 600 | 350 |
400 | 102 | 515 | 565 | 16-26 | 289 | 972 | 600 | 350 |



打印當前頁
查看及下載技術文檔
發郵件給我們:





