本公司生産的氣動對夾蝶閥是由高精度氣動執行器與蝶閥組成,氣動對夾蝶閥具有功能強,體積小,輕👽便宜人,性能可靠,配套簡單,流通能力大,特别适合于介質是粘稠,含顆粒,纖維性質的場合。氣動對夾蝶閥可廣泛應用于食品、環保、輕工✍🏻、石油、化工👩🏽🐰👩🏿、教學設備、造紙、氣力等行業的工業過程自動控制👻系統中。
二、氣動硬密封蝶閥 産品特點
- 尼龍塗層與環氧樹脂塗層相結合,符合環保要求。
- 閥闆特有設計,流量系數大,流阻小。在額定壓力下,實現零洩漏。
- 采用半軸無銷連接,結構簡單緊湊,維修拆卸極為方👱🏼♂️便,迅速(可現場拆裝),蝶闆有自動對中功能,實現了蝶闆與閥座👩🏿❤️💋👨🏽過盈配合。
- 閥杆密封圈起雙向密封作用,避免介質外流,防止外😮💨來物質💕侵入,做到整閥零外漏。
- 氣動襯膠蝶閥具有良好的切斷和調節性能,能達🔞到氣泡級^密封,啟閉力矩小,使用壽命長等特點。
三、氣動硬密封蝶閥 主要技術參數
四、氣動硬密封蝶閥 執行器技術參數
| 執行器型号 | GT、AT、AW系列單雙作用氣動執行器 |
| 供氣壓力 | 0.4~0.7MPa |
| 氣源接口 | G1/4"、G1/8"、G3/8"、G1/2" |
| 環境溫度 | -30~+70℃ |
| 作用形式 | 單作用執行機構、雙作用執行機構 |
| 可配附件 | 定位器、氣磁閥、空氣過濾減壓器、保位閥、行程開關、閥位傳送器、手輪機構等 |
采用新型氣動執行器,有雙作用式和單作用式(彈簧複位),齒輪齒條傳動,安全可靠;大口徑閥門采用系列AW型氣動執行器拔叉式傳動,結構合理,輸出力大,有雙作用式和單作用式。
- 齒輪式雙活塞,輸出力矩大,體積小。
- 氣缸選用鋁金材料,重量輕、外形美觀。
- 可在頂部、底部安裝手動操作機構。
- 齒條式連接可調節開啟角度、額定流量。
- 執行器可選帶氣訊号反饋指示及附件以實現自動化操作。
- IS05211标準連接為産品的安裝更換提供了方便。
- 兩端調的節螺釘可使标準産品在0°和90°有±4°的可調範圍😺。确保與閥門的同步精度。
五、氣動硬密封蝶閥 主要零件材料
六、氣動硬密封蝶閥 主要性能規範
| 公稱通徑DN(mm) | DN50~1200 |
| 公稱壓力 | PN(MPa) | 0.6 | 1.0 | 1.6 |
| 試驗壓力 | 強度試驗 | 0.9 | 1.5 | 2.4 |
| 密封試驗 | 0.66 | 1.1 | 1.76 |
| 低壓氣密試驗 | 0.5~0.7 |
| 适用介質 | 空氣、水、污水、蒸氣、煤氣、油品等 |
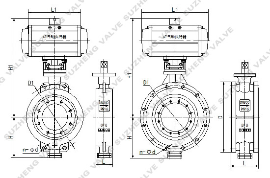
七、氣動硬密封蝶閥 安裝連接尺寸

八、氣動硬密封蝶閥 安裝連接尺寸
| 公稱通經(DN) | 主要尺寸 | 法蘭尺寸 |
| L 法蘭 | L1 對夾 | H | H1 | A | 1.0MPa | 1.6MPa |
| D | D1 | n-Фd | D | D1 | n-Фd |
| 50 | 108 | 43 | 63 | 315 | 180 | 165 | 125 | 4-18 | 165 | 125 | 4-18 |
| 65 | 112 | 46 | 70 | 330 | 180 | 185 | 145 | 4-18 | 185 | 145 | 4-18 |
| 80 | 114 | 46 | 83 | 390 | 245 | 200 | 160 | 4-18 | 200 | 160 | 8-18 |
| 100 | 127 | 52 | 105 | 431 | 240 | 220 | 180 | 8-18 | 220 | 180 | 8-18 |
| 125 | 140 | 56 | 115 | 455 | 240 | 250 | 210 | 8-18 | 250 | 210 | 8-18 |
| 150 | 140 | 56 | 137 | 626 | 350 | 285 | 240 | 8-22 | 285 | 240 | 8-22 |
| 200 | 152 | 60 | 164 | 720 | 350 | 340 | 295 | 8-22 | 340 | 295 | 12-22 |
| 250 | 165 | 68 | 206 | 800 | 550 | 395 | 350 | 12-22 | 405 | 355 | 12-26 |
| 300 | 178 | 78 | 230 | 860 | 600 | 445 | 400 | 12-22 | 460 | 410 | 12-26 |
| 350 | 190 | 78 | 248 | 883 | 600 | 505 | 460 | 16-22 | 520 | 470 | 12-26 |
| 400 | 216 | 102 | 289 | 972 | 600 | 565 | 515 | 16-26 | 580 | 525 | 16-26 |
| 450 | 222 | 114 | 320 | 1043 | 750 | 615 | 565 | 20-26 | 640 | 585 | 16-30 |
| 500 | 229 | 127 | 342 | 1098 | 750 | 670 | 620 | 20-26 | 715 | 650 | 20-30 |
| 600 | 267 | 154 | 413 | 1236 | 750 | 780 | 725 | 20-30 | 840 | 770 | 20-33 |
| 700 | 430 | 165 | 478 | 1431 | 750 | 895 | 840 | 24-30 | 910 | 840 | 24-36 |
| 800 | 470 | 190 | 525 | 1488 | 750 | 1015 | 950 | 24-33 | 1025 | 950 | 24-39 |