該産品由橡膠密封蝶閥和不鏽鋼閥闆、閥杆構成。适用😈于ˇ溫度≤150℃,弱腐蝕或潔淨度有一定要求工況,在食品、醫藥、化工👧🏾、石油、電力、輕紡、造紙等給排水、氣體管道上作調節🧛🏾♀️流量和截流介質的作✡️用。其主要特點為:
- 設計新穎、合理、結構獨特,重量輕,啟閉迅速。
- 操力矩小,操作方便,省力靈巧。
- 可以任何位置安裝,維修方便。
- 密封件可以更換,密封性能可靠達到雙向密封零洩漏。
- 密封材料耐老化、耐腐蝕,使用壽命長等特點。
二、D971X電動軟密封蝶閥 采用标準 設計标準:GB/T2238-1989 法蘭連接尺寸🏃🏻♀️:GB/T9113.1-2000;GB/T9115.1-2000;JB78 結構長度:GB/T12221-1989 壓力試驗:GB/T13927-1992;JB/T9092-1999
三、D971X電動軟密封蝶閥 執行機構
| SZ執行機構技術參數 |
| 電源 | AC110/220V,50/60Hz |
| 輸出力矩 | 50N·M~2000N·M |
| 動作範圍 | 0~90° |
| 動作時間 | 15秒/30秒/60秒 |
| 保護裝置 | 過熱保護 |
| 環境溫度 | -30°~60° |
| 手動操作 | 同附帶手柄操作 |
| 限位 | 電氣、機械二重限位 |
| 防護等級 | 相當于IP-65 |
| 位置測量 | 可選裝開關或電位計 |
| 驅動電機 | 8W/E |
| 進線接口 | PE1/2〞進線線鎖 |
四、D971X電動軟密封蝶閥 主要技術參數
| 公稱通徑 | DN(mm) | 50~2000 |
| 公稱壓力 | PN(MPa) | 0.6 | 1.0 | 1.6 |
| 試驗壓力 | 強度試驗 | 0.9 | 1.5 | 2.4 |
| 密封試驗 | 0.66 | 1.1 | 1.76 |
| 氣密封試驗 | 0.6 | 0.6 | 0.6 |
| 适用介質 | 空氣、水、污水、蒸氣、煤氣、油品等。 |
| 驅動形式 | 手動、蝸杆蝸輪傳動、氣傳動、電傳動。 |
五、D971X電動軟密封蝶閥 主要零件材質
| 零件名稱 | 材料 |
| 閥體 | 球墨鑄鋼、鑄鋼、合金鋼、不鏽鋼 |
| 蝶闆 | 灰鑄鐵、球墨鑄鋼、鑄鋼、不鏽鋼及特殊材料 |
| 密封圈 | 各種橡膠、聚橡膠 |
| 閥杆 | 2Cr13、不鏽鋼 |
| 填料 | O型圈、柔性石墨O |
六、D971X氣動軟密封蝶閥 蝶閥密封材料選用和适用溫度
| 材料品種 | 氯丁橡膠 | 丁晴橡膠 | 乙丙橡膠 | 聚橡膠乙烯 | 矽橡膠 | 氟橡膠 | 天然橡膠 | 尼龍 |
| 英語簡稱 | CR | NBR | EPDM | PTXE | SI | VITON | NR | PA |
| 型号代号 | X或J | XA或JA | XB或JB | X或XC、JC | XD或JD | XE或JE | X1 | N |
| 耐最高溫度 | 82℃ | 93℃ | 150℃ | 232℃ | 250℃ | 204℃ | 85℃ | 93℃ |
| 耐最低溫度 | -40℃ | -40℃ | -40℃ | -268℃ | -70℃ | -23℃ | -20℃ | -73℃ |
| 适用工作溫度 | 0~+80℃ | -20~+82℃ | -40~+125℃ | -30~+150℃ | -70~+150℃ | -23~+150℃ | -20~+85℃ | -30~+93℃ |

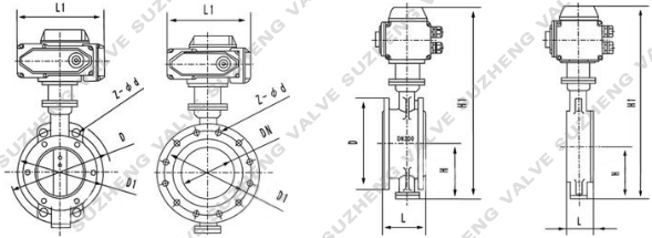
七、D971X氣動橡膠密封蝶閥 外形尺寸 單位:mm
| 公稱通經(DN) | 主要尺寸 | 法蘭尺寸 |
| L | L1 | H | H1 | 1.0MPa | 1.6MPa |
| D | D1 | n-Фd | D | D1 | n-Фd |
| 50 | 108 | 43 | 63 | 530 | 165 | 125 | 4-18 | 165 | 125 | 4-18 |
| 65 | 112 | 46 | 70 | 530 | 185 | 145 | 4-18 | 185 | 145 | 4-18 |
| 80 | 114 | 46 | 83 | 565 | 200 | 160 | 4-18 | 200 | 160 | 8-18 |
| 100 | 127 | 52 | 105 | 600 | 220 | 180 | 8-18 | 220 | 180 | 8-18 |
| 125 | 140 | 56 | 115 | 640 | 250 | 210 | 8-18 | 250 | 210 | 8-18 |
| 150 | 140 | 56 | 137 | 705 | 285 | 240 | 8-22 | 285 | 240 | 8-22 |
| 200 | 152 | 60 | 164 | 775 | 340 | 295 | 8-22 | 340 | 295 | 12-22 |
| 250 | 165 | 68 | 206 | 945 | 395 | 350 | 12-22 | 405 | 355 | 12-26 |
| 300 | 178 | 78 | 230 | 1070 | 445 | 400 | 12-22 | 460 | 410 | 12-26 |
| 350 | 190 | 78 | 248 | 1140 | 505 | 460 | 16-22 | 520 | 470 | 12-26 |
| 400 | 216 | 102 | 289 | 1210 | 565 | 515 | 16-26 | 580 | 525 | 16-26 |
| 450 | 222 | 114 | 320 | 1335 | 615 | 565 | 20-26 | 640 | 585 | 16-30 |
| 500 | 229 | 127 | 342 | 1415 | 670 | 620 | 20-26 | 715 | 650 | 20-30 |
| 600 | 267 | 154 | 413 | 1605 | 780 | 725 | 20-30 | 840 | 770 | 20-33 |
| 700 | 430 | 165 | 478 | 1844 | 895 | 840 | 24-30 | 910 | 840 | 24-36 |
| 800 | 470 | 190 | 525 | 2040 | 1015 | 950 | 24-33 | 1025 | 950 | 24-39 |
| 900 | 510 | 203 | 585 | 2255 | 1115 | 1050 | 28-33 | 1125 | 1050 | 28-39 |
| 1000 | 550 | 216 | 640 | 2380 | 1230 | 1160 | 28-36 | 1255 | 1170 | 28-42 |
| 1200 | 630 | 254 | 755 | 2640 | 1455 | 1380 | 32-39 | 1485 | 1390 | 32-48 |